RCET10T3M0-EM RC пластины для профильного фрезерования

Фрезерные твердосплавные пластины

Тип: RC пластины для профильного фрезерования


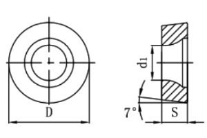
Технические параметры

ID Наименование D, мм S, мм d1, мм
1 RCET10T3M0-EM 103.974.4 Подробнее,fr_pl_more.php?type=25&id=183
2 RCET1204M0-EM 124.764 Подробнее,fr_pl_more.php?type=25&id=184
3 RCET1606M0-EM 166.355.5 Подробнее,fr_pl_more.php?type=25&id=185
4 RCET2006M0-EM 206.356.5 Подробнее,fr_pl_more.php?type=25&id=186
5 RCET1204M0-MM 124.764 Подробнее,fr_pl_more.php?type=25&id=187
6 RCET1204M0-KM 124.764 Подробнее,fr_pl_more.php?type=25&id=188
7 RCET1606M0-KM 166.355.5 Подробнее,fr_pl_more.php?type=25&id=189
8 RCET1204M0T-EH 124.764.4 Подробнее,fr_pl_more.php?type=25&id=190
9 RCET1606M0T-EH 166.355.5 Подробнее,fr_pl_more.php?type=25&id=191
10 RCET2006M0T-EH 206.356.5 Подробнее,fr_pl_more.php?type=25&id=192
11 RCET1606M0T-KH 166.355.5 Подробнее,fr_pl_more.php?type=25&id=193

Остальные типы

Гарантия

На все виды инструмента предоставляется гарантия в соответствии с техническими условиями производителя. В случае обнаружения неустранимого дефекта гарантируем замену инструмента или возврат уплаченных средств.



Будьте в курсе новых поступлений!

Отправив нам свой е-mail вы будете регулярно получать информацию о скаладских запасах нашей продукции



Поздравляем! Ваше email был успешно отправлен
Ошибка, пожалуйста, повторите попытку.

Складские запасы. Купить в Минске

Вы в любой момент можете получить актуальную информацию по наличию инструмента на нашем складе в Минске.

Скачать